Далеко не всім вдається організувати автоматичну систему водопостачання заміського будинку, яка включає в себе монтаж насосного обладнання. Нерідко головною проблемою є фінансова, адже для реалізації такого проекту доведеться неабияк витратитися. У результаті багатьом доводиться змиритися з реальністю і носити воду відрами з криниці для поливу й інших потреб. Однак деяких така перспектива спонукає до пошуку альтернативного рішення. Наприклад, встановлюється ручний насос для води з свердловини. Це ідеальне рішення для того, щоб автоматизувати процес водоподачі. Хоча великий обсяг отримати складно, але це краще, ніж носити повні відра з сусідньої вулиці або возити звідки-то, що ще гірше.
У цій статті ми розповімо вам про існуючі типи ручних насосів. Забігаючи вперед, відзначимо, що існує 4 основних виду, серед яких поршневий, штанговий, мембранний і крильчатий. Ми розглянемо особливості кожного з них і обов’язково поговоримо про облаштування свердловини. Крім того, буде представлена інструкція, як зробити такий насос самостійно. Але для початку ознайомимося з особливостями цього обладнання.
Особливості ручних насосів: переваги та недоліки
Ручний насос має свої позитивні і негативні якості
Під ручним насосом мається на увазі спеціальний пристрій, перекачивающее рідину на поверхню із свердловини. Необхідні фізичні зусилля для впливу на важільної механізм. На відміну від автоматичного типу, швидкість потоку води значно нижче. Але цей важільний механізм має переваги перед своїм аналогом. Якщо на дачі повністю відсутнє електропостачання, то ви будете мати безперебійний джерело води, в тому числі чистої питної.
Особливо ручний насос зручний для тих, кому не можна носити важкі відра. Буквально за кілька натискань на важіль ви зможете набрати склянку води. Це пристрій має як позитивні, так і негативні особливості, розглянемо їх:
|
Плюси |
Мінуси |
|
Відсутня потреба у використанні дорогого обладнання. |
Перекачування води відбувається тільки після натискання на важільної механізм. |
|
Можлива установка практично при будь-яких умовах. |
Низький рівень продуктивності. На відміну від аналогів, подача рідини на поверхню відбувається в дуже маленькому об’ємі. |
|
Не потрібне підключення електрики. |
|
|
Якщо якісь вузли виходять з ладу, їх легко замінити. |
|
|
На відміну від аналогів (електричних пристроїв), ручний насос коштує набагато менше. |
|
|
При сильному бажанні його можна зробити самостійно. |
|
|
Простота в експлуатації. |
|
|
Досить просто виконати монтаж. |
|
Хоча такий пристрій для свердловини можна зробити самостійно, більшість вирішує придбати готові вироби. Пояснюється це тим, що для виготовлення насоса використовується зварювання. Далеко не всім вдається виконати якісний шов зварювання, в результаті ефективність конструкції зводиться до нуля.
Класифікація помп
Ручні насоси набувають різний і навіть несподіваний зовнішній вигляд
Сьогодні часто можна зустріти у дворах або в приватному секторі водозабірні колонки. Такі колонки нічого спільного не мають з ручними механічними насосами. Чому? У звичайних колонках тиск води створюється за допомогою тиску у міському водопроводі. У механічному насосі напір створюється за допомогою тиску, який постійно треба підкачувати, прикладаючи фізичні зусилля.
Усі механічні насоси класифікуються на 4 основні групи:
- Поршневі.
- Штангові.
- Мембранні.
- Крильчасті.
Поршневі застосовуються для джерел глибиною до 10 м. Якщо глибина свердловини становить 30 м, то ідеальні штангові пристрою. Мембранні переважно використовуються для підкачування води в системах водопостачання. Що стосується крильчастих ручних насосів, то це саме дороге пристрій. Воно являє собою роторний механізм в корпусі зі всмоктувальної трубою.
Також ручні помпи розрізняються за режимом експлуатації і матеріалами виготовлення. Наприклад, деякі моделі можна експлуатувати тільки в літній час. Корпуси таких насосів можуть бути зроблені з пластику. Також є і металеві моделі пристроїв, для експлуатації в зимовий час року слід утеплювати.
Тепер пропонуємо вам детальніше ознайомитися зі всіма типами подібних пристроїв, використовуваних для підняття води з свердловини.
Ручний поршневий насос: пристрій і особливості
Ручний поршневий насос для води. У цьому випадку виготовлений з нержавіючої сталі
ак уже говорилося, поршневий насос використовується в тих випадках, коли дзеркало води розташовується високо. Максимально допустима межа для нього 10 м. Якщо дзеркало буде глибше, то помпа не зможе підняти рідину на поверхню.
Пристрій поршневого типу
Конструкція поршневого насоса у всіх деталях
В основі агрегату лежить спеціальний поршень, який і є основним робочим агрегатом. Сам поршень розміщується в трубі і під’єднується до дна пристрою. Під впливом зусиль на спеціальний важіль поршень переміщається вгору-вниз. Як тільки поршень виявляється у воді, через клапан відбувається її перетікання в надпоршневое простір. При підніманні поршня відбувається виштовхування через вихідну трубу.
Зовні видно наступні вузли:
- циліндричний корпус;
- патрубок для зливу;
- важіль;
- шток, що йде всередину циліндра.
Внутрішня частина складається з таких вузлів:
- Поршень – розташовується всередині гільзи і під впливом важільного механізму приходить у дію.
- Шток – частково він видно зовні.
- Отвір для виходу води.
- Знизу до насоса під’єднується труба через штуцер.
- Клапани, розташовані на самому поршні.
На схемі ви можете побачити всі ці вузли, а також ознайомитися з принципом роботи цього насоса:
Принцип роботи поршневого насоса відображений на цій схемі
Видно, що насос має 2 клапани: один на рухливій поршні, другий на нерухомій частині, що під впливом тиску відкривається і запускає воду. Якщо його не буде, то викачати воду буде проблематично. Зазвичай після використання насоса всередині залишається невеликий об’єм рідини, як це видно на малюнку ліворуч. При підніманні поршня вверх клапан відкривається, завдяки чому заповнюється внутрішній циліндр.
На малюнку по центру видно, що при опусканні штока з рухомим поршнем нижній клапан закривається. Одночасно з цим відкривається клапан на поршні і набирає рідина для її подальшого підняття вгору. Коли поршень повністю опускається вниз циліндра, вода повністю надходить з нижньої камери в другу.
Тепер на схемі з правого боку бачимо, що клапан на поршні закритий, а вода виходить через патрубок. Як видно, схема роботи дуже проста. Єдиний нюанс роботи цього насоса в тому, що при інтенсивному використанні швидко зношуються гумові ущільнювачі на поршні. Іноді з ладу виходять клапани. Якщо в рідині містяться дрібні домішки, то знос збільшується.
Що стосується продуктивності, що вимірюється в літрах рідини, жене за один прийом, то вона різниться в залежності від моделі. На продуктивність головним чином впливає внутрішній діаметр циліндра, тобто той обсяг води, який знаходиться між першим і другим клапаном.
Відео: принцип роботи поршневого насоса
Різновиди поршневих помп
Розрізняються ці пристрої по виду робочого органу, який витісняє рідину. Так поршні мають такі види:
- діафрагмові (вода відокремлена від поршня спеціальної діафрагмою, а всередині циліндра є масло або емульсія);
- плунжерні (поршень має форму циліндра);
- поршневі (поршень має дискообразную форму).
Поршневі насоси також розрізняються за методом дії:
- Диференціальний. Це апарати двосторонньої дії, мають 2 камери (перша камера має один клапан, друга камера – всмоктуючий і робочий клапани).
- Подвійної дії. На відміну від диференціальної дії, в цьому випадку вода надходить рівномірно. Конструкція має 2 робочі камери. Нагнітання рідини поршнем здійснюється за 2 обороту.
- Одинарної дії.
Ці пристрої також розрізняються за кількістю поршнів. Є насоси з поршнями малого та великого діаметру.
Виготовлення поршневого насоса самостійно
Ця схема допоможе зробити поршневий насос самостійно
Розібравшись з принципом дії цього пристрою, саме час розповісти про те, як можна його зробити. Багато дачники одразу розглядають цей варіант, бажаючи заощадити гроші.
Варто зауважити, що такий насос ви зможете зібрати з підручних матеріалів. В допомогу надаємо вам інструкцію. Хоча вона не настільки докладна, так як складно описати всі технологічні процеси, у ній розказано про всіх основних елементах конструкції, які необхідні при виготовленні поршневий помпи. Після цього ви зможете подивитися відео, яке доповнює все нижческазане:
|
Інструкція по виготовленню насоса |
|
Крок №1 |
Насамперед слід виготовити корпус насоса. Для цього потрібно металевий циліндр, наприклад, деякі використовують вогнегасник, шматок труби, гільзу від дизельного двигуна тощо. |
|
Крок №2 |
Довжина відрізка повинна становити до 80 див. Буде добре, якщо вийде добре почистити внутрішню частину труби від нерівностей. Це забезпечить хороший хід поршня. |
|
Крок №3 |
Якщо ви використовуєте шматок труби, то слід вирізати кришку з товстого металу. У кришці обов’язково виготовляється отвір для штока. Якщо ви використовуєте б/у вогнегасник, то його верхня заокруглена частина ідеально підходить для майбутнього ручного насоса. |
|
Крок №4 |
Як штока використовується металевий прут, на який необхідно закріпити поршень. У поршні виготовляється кілька отворів, через які буде надходити вода. |
|
Крок №5 |
Зверху поршнів слід закріпити щільну гуму. Але не настільки щільний, що вона не зможе пропустити воду, адже при русі поршня вниз, гума повинна виконувати функцію клапана. |
|
Крок №6 |
Отже, тепер необхідно до металевого штоку прикріпити поршень з клапаном. Він відразу вставляється в корпус майбутнього насоса. |
|
Крок №7 |
Попередньо виготовляється отвір для установки зливного носика. Може використовуватися труба Ø1/2. |
|
Крок №8 |
На нижню частину слід приварити штуцер для подачі. Усередині корпусу на отвір штуцера також закріплюється гумовий клапан у вигляді пелюстки. Він буде утримувати воду в першій камері. |
Це хороший приклад саморобного насоса для свердловини
Це основні процеси по виготовленню поршневого насоса. Також слід закріпити важіль для підняття поршня. Всі процеси включають зварювальні роботи, тому тут необхідна достатня кваліфікація. Ми пропонуємо вам детальніше розглянути процес виготовлення відео.
Відео: як зробити поршневий насос
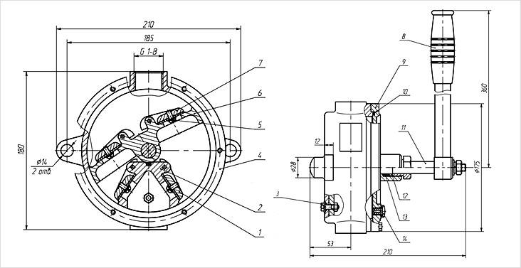
Штанговая ручна помпа — її особливості
Цей тип насоса також відомий як штоковый. Використовується вона у випадках, коли дзеркало води залягає глибше 12 метрів. При таких параметрах поршневий тип впоратися не може. По своїй конструкції вони трохи схожі. Основний робочий вузол – циліндр і поршень. Процес викачування здійснюється практично за тією ж схемою, що і у випадку з поршневим аналогом. Проте вони різняться тим, що сама помпова частина розташовується безпосередньо в водоносному шарі. Ви можете розглянути його особливість на схемі:
На схемі зображена конструкція штангового насоса у всіх деталях
Робочий циліндр знаходиться безпосередньо в товщі води. Для установки такого насоса потрібна свердловина з обсадною трубою. Робочий циліндр з основною частиною пов’язаний напірним трубопроводом, всередині якого мається штанга або шток. Саме він приводить в рух поршень. Що стосується наявності клапанів, то тут їх також 2, перший розташований на забірних патрубку циліндра, а другий на поршні.
Виходячи з цієї схеми стає зрозумілим, що подача наверх відбувається не просто методом всмоктування. Розташований у водоносному шарі робочий циліндр створює стовп. Кожен рух поршня вгору-вниз створюється тиск, поповнюючи наявний стовп новим об’ємом рідини. За такою схемою воду можна підняти навіть з глибини 30 метрів.
Якщо порівнювати між собою поршневий і штоковый агрегати, то при використанні останнього потрібно докласти більше зусиль на те, щоб підняти воду на поверхню. З цієї причини важіль насоса часто робиться подовженим. Це дозволяє при менших трудовитрат домогтися максимального ходу поршня.
Подібні установки складніше. Це стосується і монтажних робіт, та подальшого обслуговування. Однак, якщо на вашому дачній ділянці відсутня електрика, а водоносний шар розташовується на глибині 25-30 метрів, то штоковый насос є просто незамінним.
Мембранний насос
Невеликий мембранний насос зручний при експлуатації, так як його можна переносити за необхідності
Під таким насосом мається на увазі спеціальна камера, яка розділена еластичною мембраною. Звідси і його назва – мембранний. Його можна використовувати для підняття води з глибини до 6 метрів. Це пристрій має круглий корпус, над яким розташовуються рукоятки.
Внутрішня рухома перегородка з’єднується з рукояткою. У конструкції насоса є повітряна камера, вона ніяк не бере участь в передачі води. В нижній частині пристрою є 2 патрубка. Один з них електрично з’єднаний з всасом через клапан. Інший виконує роль нагнітача.
Коли мембрана надавливается вниз, у камері, де знаходиться рідина, зростає тиск. Внаслідок цього відкривається клапан. Коли шток піднятий вгору, також піднімається вгору і мембрана. Під тиском через зворотний клапан запускається вода. Отже, один клапан стоїть на всмоктувальній трубі, а другий на випускний.
Для їх виготовлення використовується метал або чавун. Одне зі слабких місць цього насоса – мембрана. При частому її використанні вона швидко проривається. Більш того, з часом мембрана розтягується і стає еластичною. З-за цього продуктивність знижується до нуля. Через корпус може проступати вода, це в тому випадку, якщо прорвалася мембрана. Замінити мембрану не складе особливих проблем. Але навіть незважаючи на це, мембранні ручні насоси для широкого визнання не отримали.
Відео: саморобний агрегат мембранного принципу
Крильчатий насос
Крильчатий насос цілком можна використовувати для перекачування води з свердловини
Ще один тип, який ми опишемо – крильчатий. Такий насос використовується не тільки для перекачування чистої води, але і нафтопродуктів, морської води та інших рідин. На схемі, ви зможете ознайомитися у всіх подробицях з крильчатим насосом:
Конструктивна схема крильчатого насоса
Пристрій складається з наступних комплектуючих:
- Впускний клапан.
- Сідло клапана.
- Гвинт.
- Корпус.
- Гвинт.
- Крильчатка.
- Випускний клапан.
- Рукоятка.
- Кришка.
- Кільце.
- Вал.
- Втулка.
- Набивання з сальника.
- Пробка.
Щоб привести крильчатку в рух, закріплена на валу і жорстко встановлена рукоятка. Якщо насос не буде використовуватися в зимовий час, то на корпусі є пробка, викрутивши яку можна злити воду.
Порядок дій по введенню в експлуатацію крильчатого насоса:
- Внутрішню частину слід ретельно промити гарячою водою. Це необхідно, адже там нанесена консервационная змазка. В процесі промивки заглушки з всмоктувального та напірного патрубка слід зняти.
- Далі необхідно встановити рукоятку.
- Використовуючи 2 болта, насос слід зафіксувати вертикально.
- Після під’єднується трубопровід до всмоктуючому патрубку. Під впливом вакууму трубопровід не повинен деформуватися. Тому ідеальним рішенням буде використання металевої труби.
- За таким же принципом кріпиться до насоса і напірний трубопровід. Зверніть увагу на те, що в напірному трубопроводі є отвір, через яке заливається рідина всередину пристрою.
- Якщо глибина забору води більш ніж 1 метр, то обов’язково на всмоктуючий трубопровід кріпиться зворотний клапан. Він дозволить забезпечити нормальну роботу насоса.
- Не менш важливо забезпечити повну герметичність всмоктувального трубопроводу. В іншому разі пристрій нормально працювати не буде.
Крильчатий насос для води має невеликі розміри і малу продуктивність
Головний недолік крильчатого насоса – маленька продуктивність. Саме тому його рідко використовують у домашньому господарстві. Він відмінно впорається з невеликим об’ємом води.
Ручна помпа – особливості вибору і поширені моделі
Ми розглянули з вами основні види ручних насосів, які можна використовувати для підняття води з свердловини. Якщо самостійно не виходить, то можна розглянути вже готові моделі. При виборі необхідно враховувати такі нюанси:
- Важливий критерій вибору – глибина свердловини. Цей показник порівнюєте з параметрами насосів.
- Також важливо знати продуктивність, а саме який обсяг води він може викачати за один цикл.
- Враховується діаметр обсадної труби. Тут важливо мати на увазі один нюанс: якщо діаметр обсадної труби менше 100 мм, то у вас не вийде вставити у неї помповий вузол штангового насоса.
- Слід знати ступінь забруднення джерела. Зазвичай в паспорті до виробів вказані технічні показники.
- Оцініть свої сили, вийде піднімати воду із великої глибини самостійно.
- Відмінності в методах установки. Тому відразу подумайте, який метод установки прийнятний у вашому випадку, наприклад, це може бути стаціонарна установка або тимчасова, передбачає демонтаж в кінці теплого сезону.
- Чималу роль відіграє і зовнішній вигляд.
Враховуючи ці особливості, ви можете підібрати ту помпу, яка ідеально буде відповідати вашим запитам. Тепер ознайомимося з найбільш поширеними моделями в таблиці:
|
Назва насоса |
Технічні характеристики |
Вартість |
|
|
Корпус пристрою зроблений з нержавійки. Переважно застосовується для перекачування води з свердловин, колодязів, водойм з дзеркалом води не більше 8 м. При експлуатації обов’язково встановлюється зворотний клапан. Висота помпи з піднятим штоком 0,75 м. Діаметр підключення до труби і вихідного шланга 1 дюйм. За один прийом насос викачує об’єм 1,25 л. Допускається експлуатація при температурі не нижче +5°С. Габарити пристрою 750×500×125 мм. |
Від 6 тис. рублів. |
|
НР-3М |
Використовується для перекачування води з свердловин, колодязів, водойм та інших ємностей. Поршень та циліндр агрегату виготовлені з високоякісного пластику. Поршневе кільце і клапани з гуми. Інші елементи металеві. Ця модель підходить для підняття рідини з глибини не більше 2 м. Проте можливо експлуатувати і при глибині до 9 м, якщо внизу всмоктуючої магістралі на трубу встановити зворотний клапан. Важить цей насос 5,5 кг. Габарити пристрою 540×180×550 мм. Діаметр вхідного і вихідного патрубка¾. |
В районі 2500 тис. рублів. |
|
РН-01 НЖ
|
Це поршнева ручна помпа експлуатується при піднятті води з глибини не більше 9 м. Корпус пристрою виконаний з нержавіючої сталі. Держатель, ручка з чорної сталі. Переважно пофарбований у зелений колір. На всмоктуванні обов’язково встановлюється зворотний клапан. За один цикл (вниз–вгору) натискання важеля видає до 1 л води. Довжина важеля дозволяє експлуатувати насос літнім жінкам і тим, у кого мало сил. Розміри насоса 1000×150×870 мм Установка має вага 8 кг |
В районі 6,5 тис. рублів. |
|
|
Застосовується для підняття рідини з свердловин і колодязів. Дзеркало водоносного шару не більше 6 м. Якщо встановити зворотний клапан на всмоктуючої магістралі, то можна підняти воду з глибини до 9 м. Помпу можна встановити на плоску поверхню завдяки тому, що отвір внизу дозволяє вивести шланг в бік. Висота агрегату з піднятим штоком 40 см. При інтенсивному натисканні на важіль можна підняти 22 л/хв. Габарити пристрою 390×240×200 мм Загальна вага установки досягає 7 кг. |
Від 3 тис. рублів. |
|
|
Як і його аналоги, застосовується для перекачування води з свердловин і колодязів. При використанні зворотного клапана воду можна підняти з глибини до 9 м. Корпус помпи зроблений з чавуну. Подача становить 28 л/хв. Параметри пристрою 650×240×160 мм. Загальна вага ручного насоса 15 кг. |
Від 4 тис. рублів і більше. |
|
Серія «К»
|
Використовується помпа для перекачування води без вмісту абразивних частинок. Висота всмоктування до 9 метрів, за умови що на кінець всмоктуючої труби встановлений зворотний клапан. |
В залежності від моделі від 3 до 30 тис. рублів. |
|
|
Ручний поршневий насос використовується для викачування рідини з свердловин, колодязів і водоймищ. По вертикалі здатний підняти воду з глибини 15 м під тиском до 1,5 атм. При встановленні зворотного клапана висота всмоктування до 9 метрів. З піднятим штоком висота становить 64 див. В комплекті ви отримаєте насос у напіврозібраному вигляді, ручку і штуцер для підключення всмоктувального трубопроводу діаметром 25 мм Габарити пристрою 530×240×160 мм. Вага 16 кг Подача 28 л/хв. |
6,5 тис. рублів і більше. |
|
|
Можлива експлуатація як для чистої води з свердловини/колодязя, так і забрудненої. Мембранний ручний насос не потребує попереднього заповнення і здатні підняти воду з глибини до 6 метрів. Корпус і патрубки виготовлені з чавуну. Клапани і мембрана з маслобензостійкої гуми. Габарити пристрою 250×250×650 мм. Вага установки 13,5 кг Продуктивність складає 50 л/хв. |
Від 7 тис. рублів і вище. |
|
BSK |
З мінімальними фізичними зусиллями цієї помпою можна піднімати воду з глибини до 9 м при використанні на кінці всмоктуючої труби зворотного клапана. Корпус виготовлений з чавуну з застосуванням художнього лиття. Кріплення насоса здійснюється з використанням фланця. Висота з піднятим штоком дорівнює 62 див. Розрізняють 2 типу в цій серії BSK для кріплення на стіну і BSKG для кріплення на підлогу. В першому випадку продуктивність BSK становить 28 л/хв. Його габарити дорівнюють 600×240×160 мм при масі 15 кг. Єдина відмінність його аналога, це продуктивність, яка дорівнює 30 л/хв. Вони мають незначну відмінність по вартості. |
Від 6,2 тис. рублів. |
|
НР-4-16 |
Використовується для підняття з глибини не більше 16 метрів. За подвійний хід рукоятки видає до 1 літра води. Сам штанговий насос занурюється на глибину 16 метрів і виштовхує рідину. Маса складає 127 кг при габаритах — 17560×230×1430 мм |
27,6 тис. рублів і більше. |
Тут запропоновано декілька поширених варіантів ручних насосів, які повністю задовольнять потреби у воді на вашій дачі.
Виготовлення та облаштування абіссінської свердловини (колодязь) для ручного насоса
Ручний насос ідеальний для встановлення його на абіссінську свердловину
Для ручного насоса ідеальним рішенням буде виготовлення абіссинського колодязя або свердловини. Зазвичай такі свердловини досягають глибини до 9 метрів. Виходячи з цих параметрів і було розроблено більшість подібних пристроїв . На такій глибині зазвичай розташовується хороший водоносний шар, що дозволяє забезпечити заміський ділянку питної води. Більш того, її можна використовувати для проведення будівельних робіт.
Якщо ви подивіться відео про виготовлення абіссинського криниці, то відразу помітите, зробити його самостійно реально, однак, є ймовірність того, що ви не впораєтеся з поставленим завданням. І причиною тому буде не те, що ви поганий майстер, можливо, просто не вдасться знайти воду або ж виникнуть інші проблеми. В цьому ви можете переконатися, переглянувши відео, де дотримані всі правила роботи, але домашні умільці зазнали невдачі.
Відео: виготовлення абіссінської свердловини забивным методом – невдалий досвід
Як видно з відео, всі тонкощі роботи були дотримані, але в результаті забити трубу не вдалося, вона обломалась. Хоча допускається і той факт, що тут просто не вистачило досвіду у виконанні цих робіт. Більше того, частина труби залишилася в ґрунті. Враховуючи це, варто все ретельно обдумати і зважити всі за і проти.
Абіссінська свердловина виготовляється методом буровим
Важлива умова для виготовлення абіссінської свердловини – склад грунту. Він повинен бути переважно піщаним або складатися з суміші щебеню і піску. Якщо у вас грунт кам’янистий, то самостійно пробитися вглиб не вийти, хіба що ви зробите самі бурову установку. Однак не всім це під силу. Тому в більшості випадків на допомогу викликають майстрів. Якщо ж грунт переважно піщаний, то роботу з виготовлення та облаштування абіссінської свердловини можна буде виконати власноручно. Тому далі ми розповімо вам про забивний технології, адже бурова переважно використовується фахівцями. На цю тему, ви зможете подивитися підготовлені відеоролики.
Відео: що таке абіссінська свердловина і як її зробити
Переваги абіссінської свердловини
Для початку уявімо реальну картину того, які плюси має така свердловина порівняно з аналогами:
|
Переваги абіссинського колодязя |
|
|
Економічність |
На сьогоднішній день вартість виготовлення свердловини вам обійдеться трохи більше 20 тис. рублів. При цьому вам не потрібно буде орендувати велику кількість техніки. Зазвичай фахівці приїжджають на своїй машині і привозять все обладнання в невеликому обсязі. Якщо ви вирішите зробити свердловину самостійно, то в цілому складання і підготовка необхідного обладнання не обійдуться вам так само дорого, хіба що ви вирішите зробити саморобну бурову установку. Якщо вибрано забивний метод, то потрібно буде близько 10 тис. рублів для купівлі необхідного обладнання. Хоча доведеться докласти чимало зусиль, результат не залишить вас байдужим. |
|
Швидкість і простота |
Повністю відсутня потреба у спорудженні триноги і бурової вишки. На території Російської Федерації водоносний шар залягає на глибині від 2 до 15 метрів. Якщо грунт переважно піщана, то її можуть зробити двоє міцних чоловіків за один день (в деяких випадках за кілька годин). Більш того, якщо бур застрягне або упреться в камінь, то його легко вийняти самостійно. Але буває і невдалий досвід, коли труба може зламатися (про це ви могли подивитися у відео вище в статті). |
|
Екологічність |
Якщо ваш будинок знаходиться далеко від міста, то цілком реально знайти на такій глибині хорошу воду, яка цілком придатна для пиття. При цьому за якістю вона не буде поступатися воді, розташованої в більш глибинних водоносних шарах. |
|
Тривалість експлуатації |
Якщо дотримані всі умови при виготовленні термін служби може скласти близько 30 років, за умови, що вода не закінчитися. Тому тривалість залежить від дебету джерела. |
|
Відсутність в отриманні дозволів |
Це, мабуть, основна перевага абіссинського колодязя. Для його виготовлення не потрібно отримувати дозволи. Необхідні дозволи для артезіанської свердловини, а для абіссинського колодязя не потрібні. |
Проведення геологічних досліджень
Рівень залягання води в різних місцевостях може відрізнятися
В першу чергу необхідно вивчити геологію вашого району. Якщо поруч з вами проживають сусіди, то можна поцікавитися у них, який стан ґрунту і на якій глибині залягає вода. Проблем не виникне, якщо водоносний шар залягає на глибині не більше 9 метрів. Якщо глибина буде більшою, то використовувати ручний насос проблематично.
Переважно водоносний шар складається з средньозернистого піску або піску з дрібним щебенем. Саме через такий грунт вода буде надходити добре. Тепер важливо визначити, яким методом найкраще бурити забивным або буровим.
Який метод буріння краще: бурової або забивний
На схемі видно, як пробурити абіссінську свердловину забивным методом
Якщо ви вирішили зробити свердловину самостійно, то тут підходящий варіант – забивний. Для цього використовується «забивна баба». Проте завжди є ймовірність пройти повз водоносного шару. А якщо на глибині зустрінеться камінь, то всю конструкцію можна пошкодити.
Якщо ж вибирається метод буріння, то тут краще звернутися до фахівців. В такому випадку ви маєте великий шанс отримати абіссінську свердловину з водою. Ви можете подивитися відеоролики, де демонструється даний метод.
Відео: технологія буріння свердловини
Також пропонуємо вам ознайомитися з технологією виготовлення свердловини забивным методом. Завдяки цьому, ви зможете порівняти всі трудовитрати.
Відео: виготовлення свердловини забивным методом
Що необхідно для виготовлення абіссінської свердловини
Голка для буріння свердловини абіссінської
Насамперед слід підготувати весь необхідний матеріал та обладнання. Основне обладнання представлено в таблиці:
|
Обладнання |
Призначення |
|
Голка |
Під голкою мається на увазі сталевий конус або вістря. Наконечник можна зробити самостійно на токарному верстаті або замовити у майстра. Діаметр голки повинен бути на 20 мм більше діаметра встановлюється труби. Довжина не менше 200 і більше 300 мм. Голка припаюється до труби або закручується по різьбі. Якщо ви вирішили її припаяти, то не можна використовувати свинець (можна отруїти воду). Для припою слід брати олово. |
|
Фільтр |
Він не пропускає пісок в трубу з чистою водою. Фільтр у вигляді труби поміщається на саме дно свердловини. Зробити його можна самостійно, про це ви дізнаєтеся далі. |
|
Секції (трубопровід) |
Між собою з’єднуються різьбленням за допомогою муфти. Але важливо, щоб з’єднання було герметичним. Для зручності роботи одна ділянка труби повинен мати довжину не більше 1 метра. |
|
Насос |
Після виготовлення свердловини встановлюється ручний насос. Якщо дозволяють кошти, то можна встановити електричний. |
Виготовлення фільтра для очищення води
Для виготовлення потрібно труба довжиною 110 см і діаметром 1 дюйм. На один кінець труби можна припаяти або приварити голку. Як варіант, можна розрізати трубу і сплющити кінець. У трубі необхідно виготовити отвори Ø13 мм з кроком 50 см в шаховому порядку.
Спочатку в трубі просвердлюються отвори
Далі прикладається фільтрувальна металева сітка і стягується хомутами через кожні 10 см. Для цього можна використовувати нержавіючу або оцинкований дріт Ø3 мм
Після одягається нержавіюча фільтруюча сітка та дріт
Нарешті, дріт фіксується саморізом в трубу. Це ви можете побачити на малюнку нижче:
Кінець дроту фіксується саморізом
Ось так можна зробити саморобний фільтр. Безумовно, якщо у вас є час і матеріали для цього.
Відео: як зробити фільтр для свердловини
Технологія пристрою абіссинського колодязя
Тепер розглянемо послідовність виготовлення абіссінської свердловини самостійно. Вся робота складається з декількох послідовних етапів:
- Для початку необхідно знайти місце для буріння.
- Після цього необхідно викопати приямок розміром 1×1 м і глибиною 1 м. Хоча це робити необов’язково. Але якщо ви плануєте використовувати свердловину в зимовий період часу, то краще виготовити такий приямок, в якому можна буде провести утеплення труби і насоса.
- Після цього слід приступити до забиванні магістральної труби. Для початку в грунт закручується садовий бур так, щоб вийняти з свердловини грунт. Після цього використовується забивний металевий штир, який засовується всередину труби. Ця методика порівняно трудомістка. Можна використовувати «ковзну бабку». Її можна побачити на схемі нижче. Наконечник сильно забивається в грунт і поступово поглиблюється посередині труби.
- Коли перша труба повністю зайшла в грунт, на неї накручується чергова і процес триває. Щоб магістраль легше проходила в грунт, в трубу можна підливати воду, яка буде розм’якшувати грунт.
- Якщо починає йти вода, магістраль слід ретельно промити під напором. Це дозволить пробити засмітився фільтр.
- Щоб перевірити працездатність готового абіссинського колодязя, встановлюється ручний насос. Тут важливо зробити прокачування води до тих пір, поки вона не піде прозора.
Ось за такою технологією робиться абіссінська свердловина з подальшою установкою ручного насоса.
Установка для буріння свердловини абіссінської
Складається ця конструкція з наступних елементів:
- Блок.
- Забивна бабка.
- Подбабок, який утримує трубопровід.
- Трубопровід.
- Фільтр.
- Голка.
Відео: установка ручного насоса
Отже, ми розглянули з вами особливості та різновиди ручних насосів, можливі варіанти вже готових помп для дачної свердловини, вивчили особливості виготовлення абіссинського колодязя. Якщо у вас є особистий досвід у проведенні таких робіт, то обов’язково залишайте коментарі в кінці цієї статті.









